Áttekintés
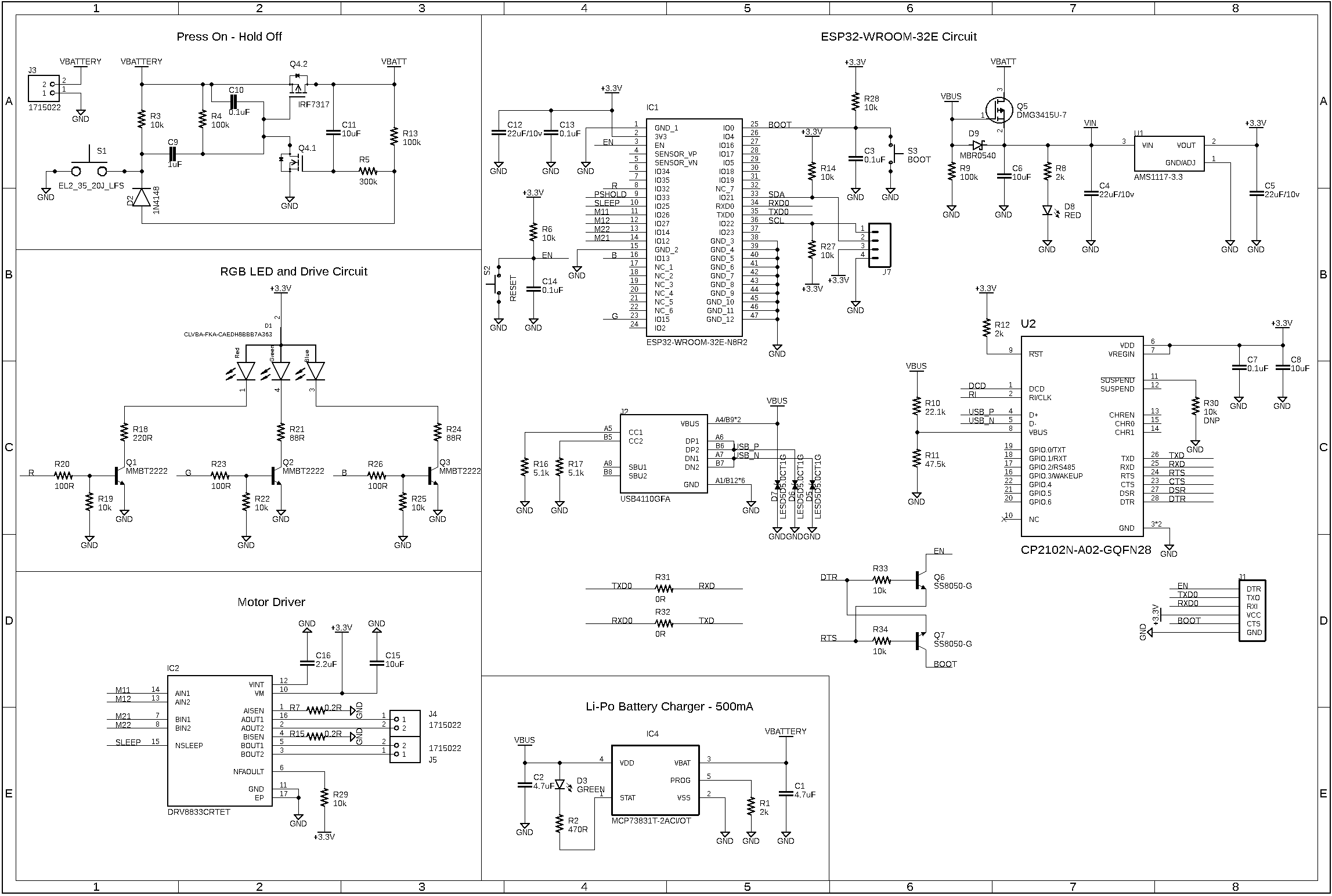
A SentryNode Edu egy integrált, kompakt vezérlőpanel differenciálhajtású robotokhoz. A rendszer beépített ESP32 mikrovezérlővel, így Wi-Fi és Bluetooth kapcsolattal rendelkezik. Ezen kívül tartalmaz mindent, ami egy minimalista mobil robothoz szükséges: kétcsatornás DC motorvezérlő, RGB LED, I2C csatlakozás és tápelőkészítés szenzoroknak, Li-Po akkumulátormenedzsment és USB-C csatlakozás töltéshez és programozáshoz. A vezérlőpanelhez egy dedikált telefonos alkalmazás is tartozik, amely lehetővé teszi a robot vezeték nélküli irányítását, kezelését. A használat egyszerű: csatlakoztassa az akkumulátort és a két DC motort, majd kösse a panelt USB-n keresztül a számítógéphez. A firmware feltöltése után a robot azonnal üzemképes, és kezdődhet is a fejlesztés.
Hardver
- ESP32-WROOM-32E modul
- Kétmagos 32 bites MCU, WiFi és Bluetooth támogatással
- Programozható Arduino IDE-ből, ESP-IDF-ből vagy MicroPythonból
- Beépített DC motorvezérlés differenciálhajtáshoz
- DRV8833 H-hidas motorvezérlő
- PWM fordulatszám-vezérlés, irányváltás, fékezés
- Li-Po akkumulátor-kezelés
- MCP73831 alapú Li-Po töltőáramkör kb. 500 mA töltőárammal
- USB-C csatlakozón keresztül tölthető
- Press on – hold off elektronikus bekapcsológomb
- Kényelmes programozás és hibakeresés
- CP2102N USB–UART átalakító – közvetlen USB-n programozható
- BOOT és RESET nyomógombok a villámgyors firmware-feltöltéshez
- Kivezetett I2C és tápcsatlakozók további szenzorok számára
- Vizuális visszajelzés
- RGB LED külön meghajtóval
- Csavaros sorkapcsok a motorok és az akkumulátor gyors csatlakoztatásához


